Skip to content

Engine & Vehicle Fuel Efficiency Simulation

Engine & Vehicle Fuel Efficiency Simulation

EDL has pioneered in the field of simulation for engine performance, emissions, vehicle fuel efficiency & energy audit programs by providing state of the art simulation solutions for various types of engine/vehicle applications for meeting the latest emission norms and fuel efficiency predictions.

We also provide solutions for GENSET applications for meeting latest CPCB IV+ norms, Tier -IV, Tier V for off-road vehicle categories and BS-VI norms for commercial vehicles. EDL also has a Virtual Test Bed to provide faster solutions by reducing the physical test bed utilization time, manpower requirements by providing ECU functionality, OBD and calibration checks.

EDL has completed several sponsored and R&D projects in collaboration with auto industry over the years in the field of vehicle energy audit, fuel efficiency improvements and range estimation for electric vehicles. EDL have also successfully conducted studies and offered solutions to oil companies on vehicle fuel efficiency impact on engine oil, gear oil and differential oil variations.

1D-Thermodynamic & 3D-Combustion Simulation

  • Engine performance predictions
  • Volumetric efficiency analysis by selecting appropriate valve timing
  • Compression ratio sweeps as per the application
  • Gas exchange analysis
  • EGR requirement selection
  • Selection of suitable Turbocharger
  • Intake & Exhaust throttle valve selection
  • Upgradation of existing engines to meet future regulations (BS-IV to BS-VI & TREM-III to TREM-V)
  • Development of new engine’s combustion hardware
  • Simulation-driven design parameter optimization for engine performance & emission improvement, the parameters include combustion chamber, spray-bowl matching, Compression ratio and nozzle etc.
  • Combustion simulations for various fuels like Diesel, Gasoline, Hydrogen (H₂), CNG and other alternate fuels to predict performance, efficiency and emissions.
  • Capability to handle engine development activities for various applications i.e., Construction equipment vehicle (CEV), Tractor, Genset, Marine, Locomotive, Agriculture equipment etc.
  • Combustion hardware selection to meet CPCB IV+ of Existing CPCB II diesel gensets.
  • Modifying combustion chamber and parameters of existing diesel engines to meet CNG and hydrogen engine prescribed targets
  • CFD simulation Studies for intake & exhaust port flow, swirl/tumble & EGR Mixer parameter optimization
  • Optimized combustion parameters of a 600hp Defense engine to operate on extreme weather conditions
Research equipment

Research equipment

In-cylinder flow velocity magnitude

Research equipment

CNG flame Propagation

Research equipment

Computational Domain

Research equipment

Spray hitting planes

Research equipment

Virtual Test Bed

  • Functionality Checks of any ECU
  • On Board Diagnostics of DTC’s Verification
  • Virtual Engine or Vehicle build
  • Simulation of any Fuel Engine/Vehicle
  • MATLAB Models for any Actuators
  • Sensor Characteristics
  • PUMA Automation Integration
  • Engine/Vehicle Calibration
  • Visual/Audio Dashboard Emulation
  • Parameters optimization by Design of Experiments
  • Injector/Sparkplug Emulation
  • Actuator Emulation
  • Wiring Harness Continuity Checks
Research equipment

Vehicle Fuel Efficiency and Energy Audit Projects

  • State of the art simulation tools available to assess the fuel efficiency & CO₂ emission performance of passenger cars, commercial vehicles, agricultural tractors & NRMM
  • Years of competency in handling simulation tools like GT-DRIVE, VECTO, AVL-CRUISE & AVL VSM
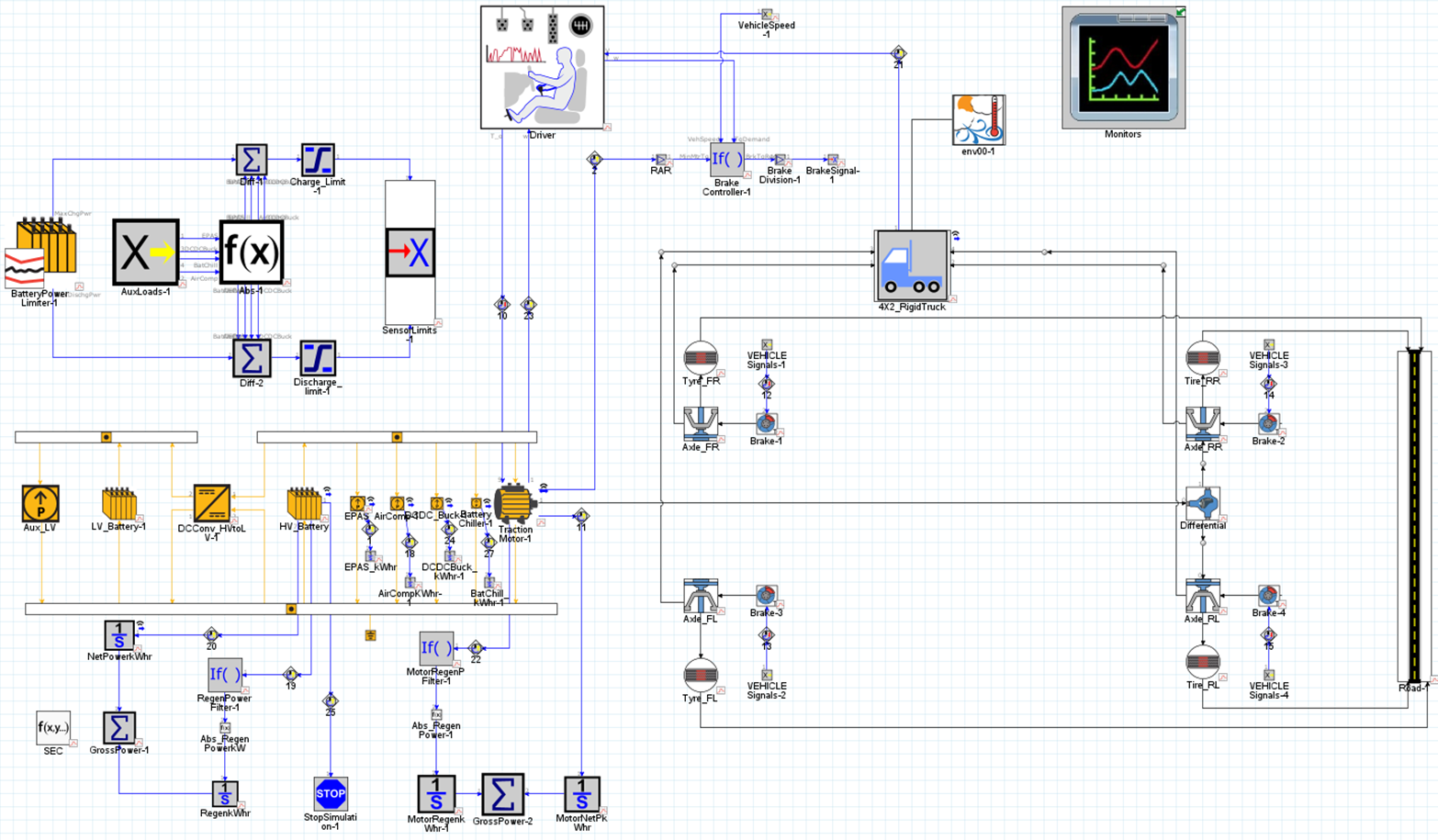
  • Proven methodology to assess the energy consumption by vehicle’s powertrain components – engine, gearbox, differential, tires & auxiliaries for both on road & off-road applications using simulation techniques
  • Estimation & optimization of Tank to Wheel efficiency for several ICE vehicles, electric trucks having GVW greater than 3.5 tons
  • Motor sizing, battery sizing, regeneration strategies, SEC & SOC optimization methodologies for light, medium & heavy-duty electric trucks using simulation approach
  • Application of DoE techniques to select right combination of vehicle parameters which can significantly improve the tank to wheel efficiency of both ICE & electric vehicles
Research equipment

1D- Simulation model

Research equipment

Motor Oprating Zone in Drive Cycle

Research equipment

Power Losses in Vehicle & Sub-systems